Rof Electro-optic modulator optical amplification SOA butterfly semiconductor optical amplifier
Feature
High gain
Low power consumption
Low polarization dependent loss
High extinction ratio
Supports temperature monitoring and TEC thermoelectric control
Application
Production and performance testing of optical fiber devices
Small signal power amplification
Laboratory research field
Optical fiber communication system
Parameters
|
Parameter |
Working condition |
Unit |
Min |
Typ |
Max |
|
Operating wavelength range |
|
nm |
1490 |
|
1590 |
|
bandwidth |
@-3dB |
nm |
55 |
|
60 |
|
Saturated optical power |
If=250mA |
dBm |
12 |
|
15 |
|
Small-signal gain |
If=250mA Pin=-25dBm |
dB |
25 |
|
30 |
|
Saturation output gain |
If=250mA |
dB |
12 |
|
|
|
Working current |
|
mA |
|
250 |
400 |
|
Forward voltage |
|
V |
|
|
1.8 |
|
Extinction ratio |
If=250mA/If=-0.4mA Pin=0dBm |
dB |
|
50 |
|
|
TEC current |
|
A |
|
|
1.8 |
|
TEC voltage |
|
V |
|
|
3.4 |
|
Polarization dependent gain |
|
dB |
|
1.5 |
2 |
|
Thermistor resistance |
T=25℃ |
KΩ |
9.5 |
10 |
10.5 |
|
Thermistor current |
|
mA |
|
|
5 |
|
Operating temperature |
|
℃ |
-10 |
|
70 |
|
Storage temperature |
|
℃ |
|
|
85 |
Characteristic curve



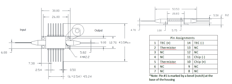
Structural dimension

Rofea Optoelectronics offers a product line of commercial Electro-optic modulators, Phase modulators, Intensity modulator, Photodetectors, Laser light sources, DFB lasers,Optical amplifiers, EDFA, SLD laser, QPSK modulation, Pulse laser, Light detector, Balanced photodetector, Laser driver, Fiber optic amplifier, Optical power meter, Broadband laser, Tunable laser, Optical detector, Laser diode driver, Fiber amplifier. We also provide many particular modulators for customization, such as 1*4 array phase modulators, ultra-low Vpi, and ultra-high extinction ratio modulators, primarily used in universities and institutes.
Hope our products will be helpful to you and your research.










